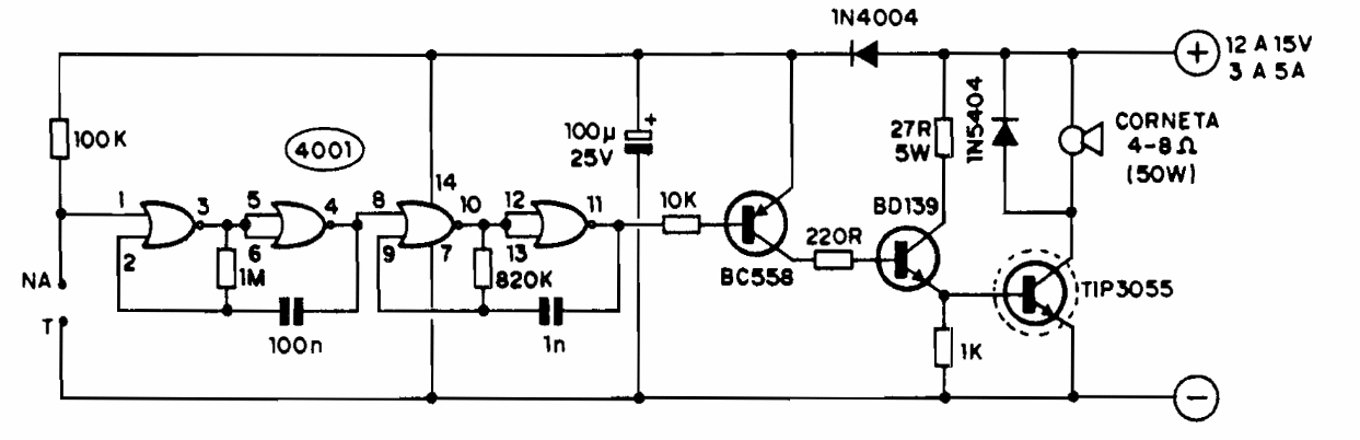
This powerful siren is suitable for warning or alarm systems. The components are current and the transistor 3055 must be mounted on a good heat sink.
We found this active crossover in a Radio Electronics magazine from June 1961. Note the different...
Found in Popular Electronics from the 90s, this circuit serves to indicate the output level of a...
If you are on an old PC that you use for experiments, control or other applications, this circuit is...