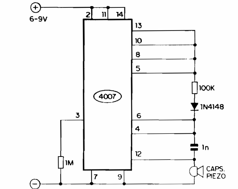
This circuit produces the ticking of a clock on a common piezoelectric transducer. The circuit has an extremely low consumption and the 1 nF capacitor can be changed according to the desired frequency.
This circuit produces the ticking of a clock on a common piezoelectric transducer. The circuit has an extremely low consumption and the 1 nF capacitor can be changed according to the desired frequency.