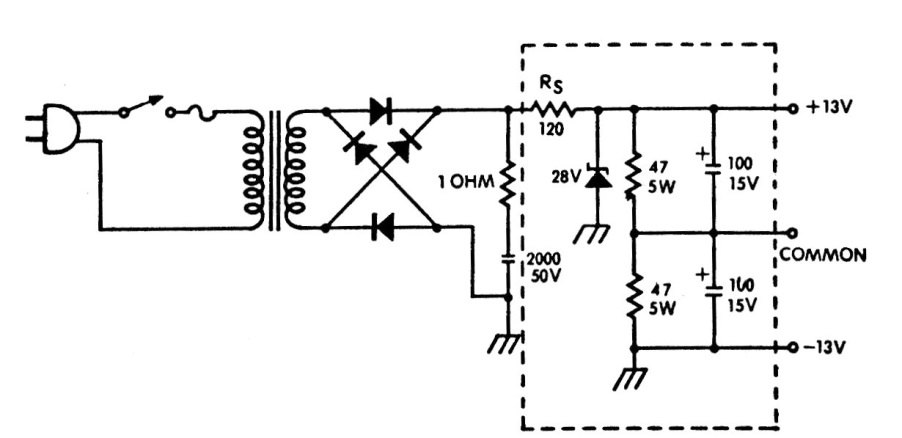
This symmetrical power supply uses only one zener diode in its regulation, supplying voltages of +12 and -12 V. The zener diode is 24 V and the transformer has 36 V of secondary voltage. The diodes can be 1N4004 for a maximum current of the order of 200 mA.




