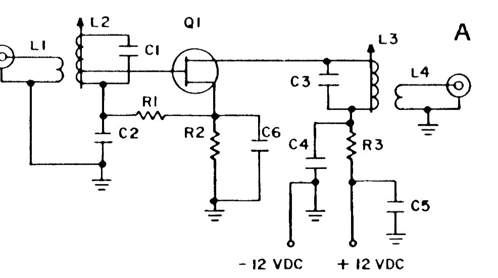
This circuit consists of an amplifier for signals from the FM band. We found it in an old documentation about RF circuits. The transistor can be a modern equivalent. C1 is 10 pF, C2 is 470 pF, C3 is 10 pF and C4 is 100 pF. R1 is 220 ohms, R2 is 370 ohms, R3 is 22 ohms.




