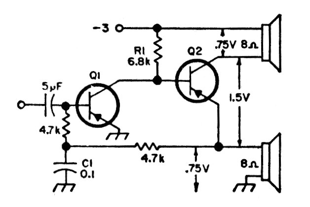
This interesting configuration uses two speakers as a load to have a push-pull excitation with only one transistor. The circuit is small in power, according to the transistor.

This interesting configuration uses two speakers as a load to have a push-pull excitation with only one transistor. The circuit is small in power, according to the transistor.
