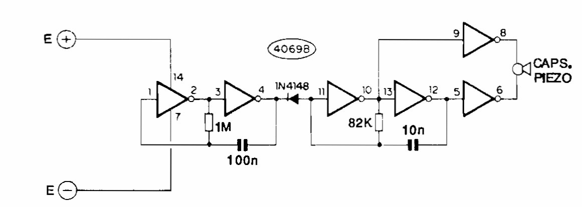
In the figure we have a piezoelectric transducer drive circuit that can be used in conjunction with the previous circuit or in other similar applications. The circuit can be powered by voltages from 3 to 12 V and the frequency of the sounds can be changed by changing the capacitors.




