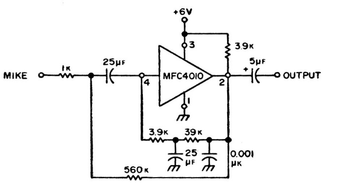
Motorola's MFC4010 integrated circuit is uncommon in the market today, as the application is from 1975 documentation. However, the configuration can be adapted for modern operationals.
This circuit for audio signals was found in the March 1990 Radio Electronics magazine. The circuit...
We found this circuit in an American publication from the 1980s. Equivalent modern operational amplifiers...
For those who like electronic music or special effects on their sound equipment, we have here an...