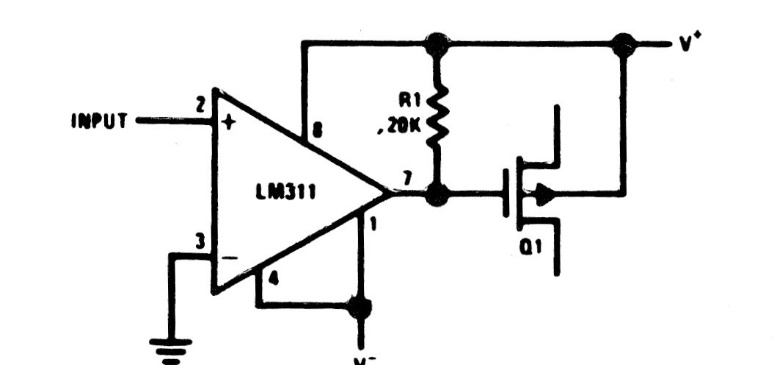
This circuit is from the 80's integrated circuit manual itself. The component is not as common today as the MOS transistor used. The circuit can be adapted for modern applications.
This circuit was found in a Radio Electronics from October 1952. The circuit equalizes the sounds...
This circuit can function as a circuit breaker or current switch opening with a current according to...
The supply of this circuit can be done with voltages from 8 to 28 V and the maximum output current is...