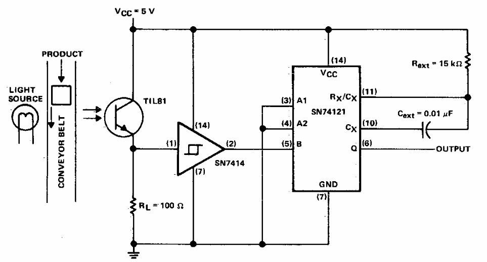
This circuit generates pulses when the light beam incident on the phototransistor is interrupted. The circuit is TTL and can function as a shield. We found it in Texas Instruments documentation.
This circuit generates pulses when the light beam incident on the phototransistor is interrupted. The circuit is TTL and can function as a shield. We found it in Texas Instruments documentation.