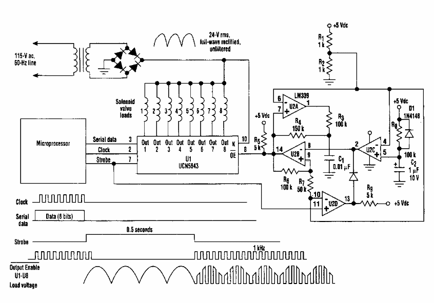
Found in an Electronic Design from the 80's, this circuit uses components from that time. He has outputs for activating 8 solenoids from a microcontroller.
This well-known siren configuration using complementary transistors is from a 1980s documentation. The...
This circuit was found in an old American magazine and could make use of more modern components...
This circuit is from the Philips integrated circuits manual of 1990. It is intended for magnetic...