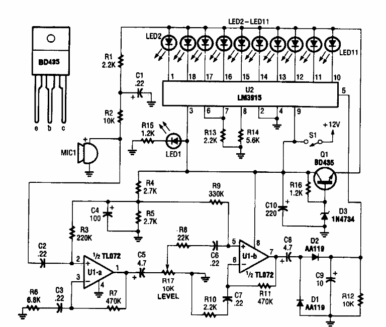
This sound meter or sonometer was found in a Popular Electronics from the 80's. The circuit can be easily implemented today, and the microphone is made of electret or ceramic.
This circuit was found in an American 1980s documentation. Transistors can be commonly used for...
This regulator provides a regulated output voltage of 48 V under a current of up to 1 A from a 60...
The integrated circuit used in this filter is not very common today, but the configuration can be implemented...