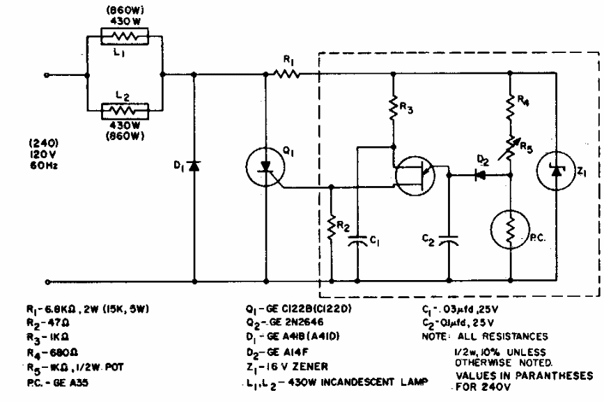
This circuit was found in an old factory documentation. The circuit uses single-junction transistor SCRs at the time. These components support modern equivalents.
This short-range experimental transmitter emits a signal with many harmonics, without modulation. It can...
Motors of up to 3 or 4 A can be controlled with this PWM circuit. The circuit can be used with 5 to...
This circuit was found in 1968 General Electric documentation. The circuit uses components from the era...