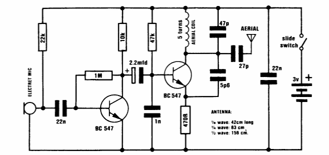
If the reader is skilled, he can mount this spy micro-transmitter with SMD components and obtain an extremely compact assembly powered by two button-type batteries. The circuit is from old documentation, but it appears on our website in several articles with small variations.




