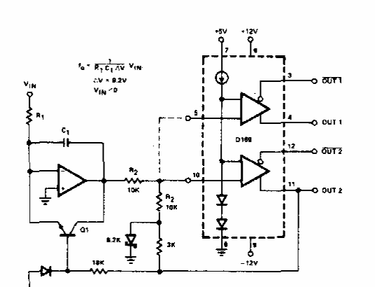
This circuit makes use of components from the 80s. However, the configuration used can be used as a reference for a project using modern operationals.

This circuit makes use of components from the 80s. However, the configuration used can be used as a reference for a project using modern operationals.
