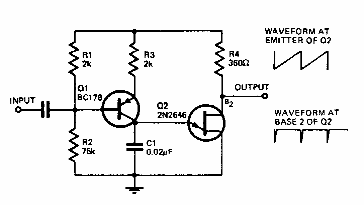
This VCO with discrete components was found documentation from the 1980s. The central frequency with the indicated components is 8 kHz. A BC548 can be used for Q1.
Found in documentation from the 1980s, this amplifier uses an integrated circuit from the time....
This circuit is from a Radio Electronics from November 1957. The circuit uses a relay depending on the...
It is a simple blinker that simulates the action of an alarm when installed on the dashboard of a...