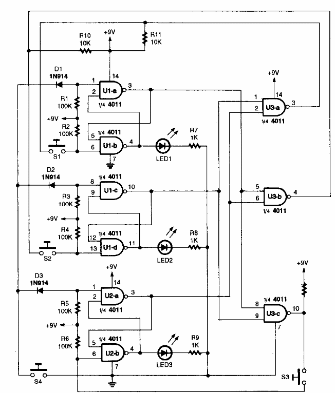
This game for 4 competitors was found in a Popular Electronics from the 80's. The circuit has CMOS technology and can be powered by voltages from 6 to 12 V.
This circuit is from a 1979 publication. The sensor consists of plates or screens that, when...
Found in an 80's documentation this circuit uses an integrated from the uncommon era today. Other...
This circuit was found in a Popular Electronics from the 90s. It uses a LASCR which is a photo-SCR...