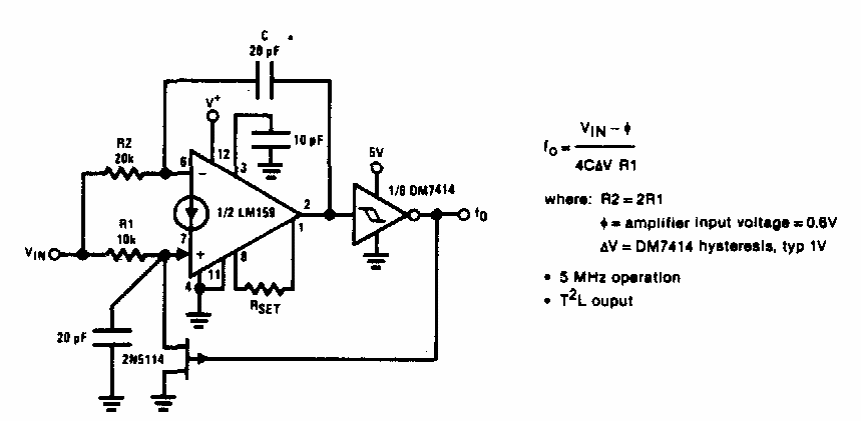
This circuit makes use of an operational amplifier from the 80's. The circuit can be implemented with modern transconductance operational and TTL logic working as a shield.
This circuit was obtained from a 1978 Practical Wireless. It causes an LED to flash at a frequency that...
We found this circuit in a 1986 publication. However, as it is based entirely on 555 integrated...
This circuit with an integrated circuit of the time was found in the magazine Radio Electronics of April...