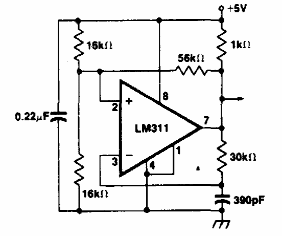
This circuit makes use of an old operational one to generate clock signals that depend on the capacitor's value. Resistors can have current standard values.

This circuit makes use of an old operational one to generate clock signals that depend on the capacitor's value. Resistors can have current standard values.
