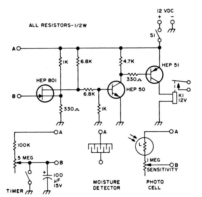
This circuit was found in a 70's American schematic. It can be used for several purposes such as timer, touch alarm, light and much more depending only on the sectors activated. The relay is of the sensitive type of 12 V and the transistor admits equivalents.




