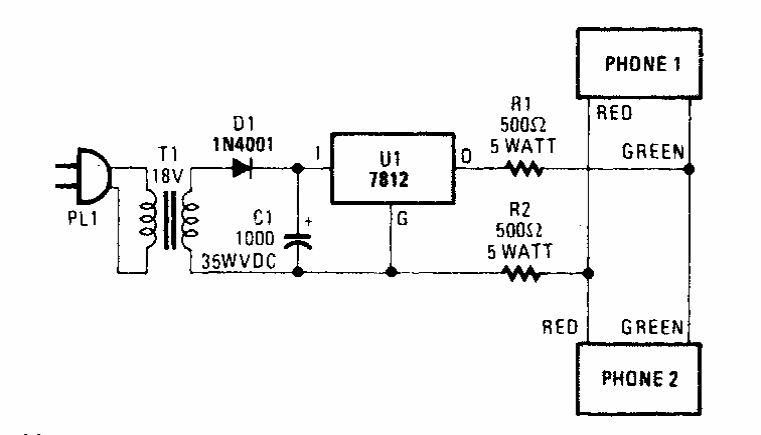
With this circuit it is possible to use a pair of old telephones in a wired communication system. The circuit is from a Popular Electronics from the 90s.
We found this circuit in a 1967 Japanese technical magazine. The transistors are made of germanium at...
This two-transistor radio was found in a Japanese publication from the 1960s, with no information on the...
The purpose of this circuit is used in communications and to respond to signals that are in the 2...