This circuit was found in a 1968 EEE. The circuit makes use of logic gates of the time and can be tested with equivalents from modern families.
This circuit of a 1964 Electronic Design uses a photodiode from the time. Modern equivalent can be used....
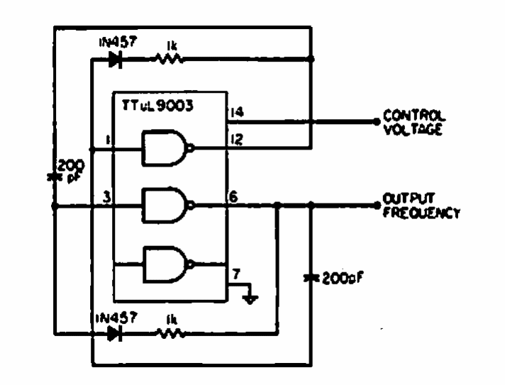
This VCO or Voltage Controlled Oscillator was found in a Popular Electronics from 1991 but can be...
We found this circuit for an anti-theft radar that operates at 400 MHz in a Radio Electronics from...