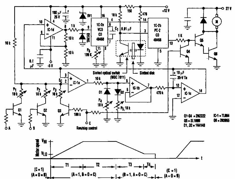
This precision speed control was obtained in an Electronic Design from the 90's. The output final stage power transistors must be in accordance with the motor power.
This circuit was found in an American 1980s documentation. Transistors can be commonly used for...
This regulator provides a regulated output voltage of 48 V under a current of up to 1 A from a 60...
The integrated circuit used in this filter is not very common today, but the configuration can be implemented...