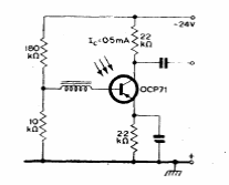
We found this circuit in a Mullard manual from 1960. The transistor is a phototransistor of the time. The gain is 3 dB.
This circuit was found in an American 1980s documentation. Transistors can be commonly used for...
This regulator provides a regulated output voltage of 48 V under a current of up to 1 A from a 60...
The integrated circuit used in this filter is not very common today, but the configuration can be implemented...