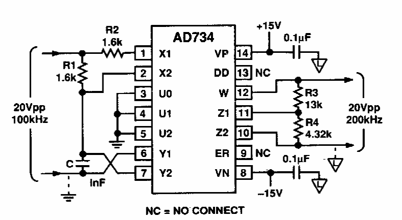
This circuit was obtained from an Analog Devices manual from the 90's. The integrated circuit is from the time.
This circuit, found in an old magazine of the year 1968, uses a Power germanium transistor. This...
This sequential circuit with an optical coupler was found in a Popular Electronics from the 90s to...
This guitar effect circuit was found in a 2002 documentation. The circuit can be powered by a 9 V...