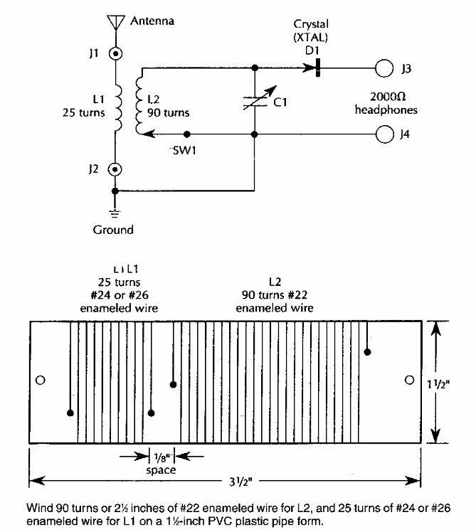
This crystal or galena radio was found in documentation from the 1990s. The earpiece must be a high impedance crystal or magnetic earpiece and D1 can be any germanium diode.
Other amplifiers of the series like the MC3301, MC3401 and LM2900 can be used in this circuit. We found...
This type of sensor was used in sensitive infrared systems from the 1960s. This circuit was found...
This circuit was obtained from an American 80's documentation. The balanced mixer can be shown in...