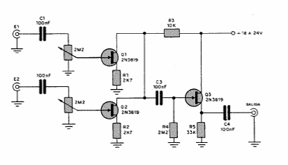
This configuration with JFET transistors is well known and can be found with variations elsewhere on this site. FETs support general-purpose equivalents.

This configuration with JFET transistors is well known and can be found with variations elsewhere on this site. FETs support general-purpose equivalents.
