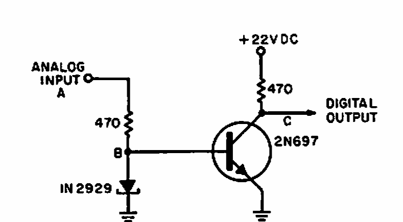
Found in a 1960s Electronic Design, this circuit provides a signal from the sensing of an analog voltage determined by the zener diode.
This well-known siren configuration using complementary transistors is from a 1980s documentation. The...
This circuit was found in an old American magazine and could make use of more modern components...
This circuit is from the Philips integrated circuits manual of 1990. It is intended for magnetic...