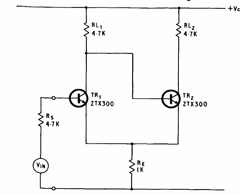
We found this circuit in the 1974 Ferranti transistor manual. Transistors are from the time, being general purpose types.
This circuit activates a relay when the sensor receives light. The sensor can be any common LDR,...
We found this circuit in a 1980 documentation. With basic changes, including transistors that were...
When a small air current reaches the piezoelectric sensor, a small audio signal is generated and...