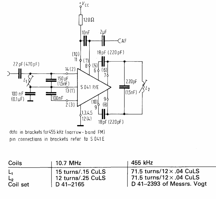
Found in the 1976 Siemens transistors manual, this circuit works with AM or FM IF signals. In the diagram information is given for the coils.
This circuit, from ancient French documentation, produces a rectangular pulse from input pulses...
This timer for small intervals, but which can be increased with the increase of R1, was obtained in an...
Found in a 90s Radio Electronics, this circuit can supply currents of a few amps, according to the power...