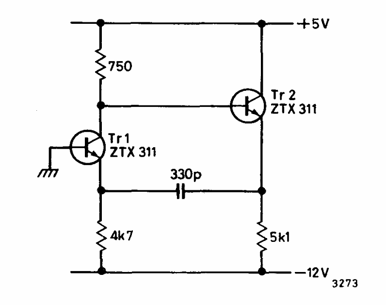
With the indicated components, this circuit oscillates at 1232 Hz. Consider the tolerance of the components. The circuit is from a 1974 Ferranti transistor manual.
This amplifier for distributing audio signals appears in other articles on this website and even...
This circuit was found in a 1964 MOSFET applications manual. The circuit uses period general...
This circuit works only with incandescent lamps, timing its activation at intervals that depend on C1....