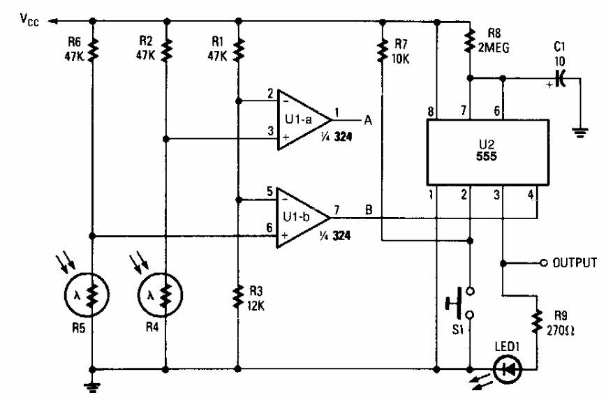
We found this circuit in an old Popular Electronics. The circuit is experimental, driving an LED from signals applied to the LDRs. The power supply does not have to be symmetrical.
A flash of light on one sensor or the touch of your fingers on the other type of sensor will turn...
In the figure below we have a simple way to perform a function test for a solar cell. The circuit is...
This circuit is used in short wave receivers that do not have the BFO (Beat Frequency Oscillator) for...