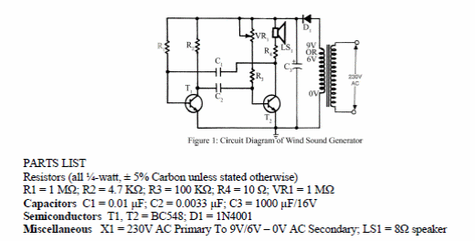
This circuit was found in an English publication. The components are current, and the transformer must be primary according to our power grid.

This circuit was found in an English publication. The components are current, and the transformer must be primary according to our power grid.
