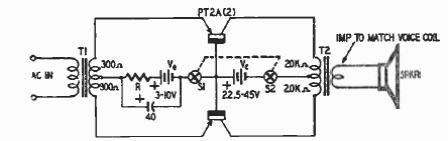
Taken from a 1954 book by Rufus Turner, this amplifying step with PT2A transistors provides an output of a few tens of milliwatts. The circuit can be adapted to use modern transistors.

Taken from a 1954 book by Rufus Turner, this amplifying step with PT2A transistors provides an output of a few tens of milliwatts. The circuit can be adapted to use modern transistors.
