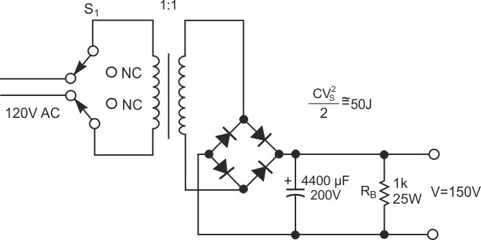
In high voltage sources, it is recommended to quickly discharge the filter capacitors to avoid shocks in an eventual contact, during maintenance. A 1k resistor with proper dissipation is a good solution.
In high voltage sources, it is recommended to quickly discharge the filter capacitors to avoid shocks in an eventual contact, during maintenance. A 1k resistor with proper dissipation is a good solution.