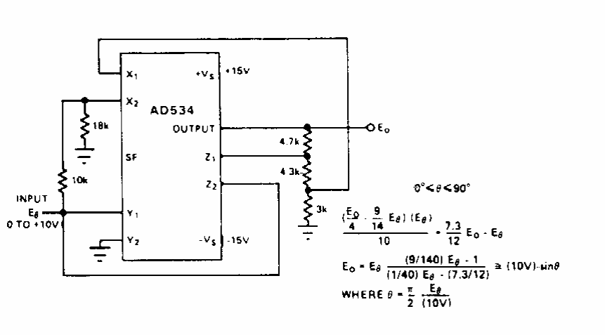
We found this circuit in an Analog Devices documentation from the 1990s. It provides an approximation for the sine ꬾ of an input voltage. It is used in analog computing.
This circuit, from ancient French documentation, produces a rectangular pulse from input pulses...
This timer for small intervals, but which can be increased with the increase of R1, was obtained in an...
Found in a 90s Radio Electronics, this circuit can supply currents of a few amps, according to the power...