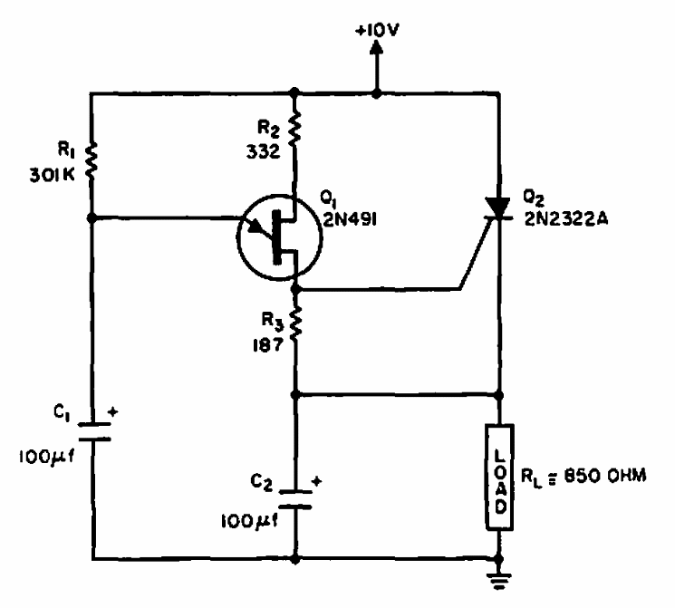
This 40-second delay switch was found in a 1965 Electronic Design. The unijunction transistor might be the 2N2646 and the SCR a sensitive modern equivalent.
This circuit converts pulse frequency to current, which is indicated on an analog instrument. The...
Based on an LM317T, this circuit found in Popular Electronics works with signals of frequencies up to...
The Texas Instruments LM5178 Buck-boost controller is capable of operating in the 4.2 to 55 V (60...