This circuit was found in a 1966 EEE. The circuit can be implemented with modern general-purpose transistors.
We found this circuit in the Electronics Experimenter Handbook 1983 edition. The circuit uses...
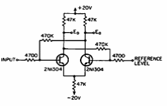
This little-known regulator today was found in a Radio Electronics circuit from December 1978. The...
This circuit was obtained in a 1982 Maplin magazine. The circuit can be applied to equivalent power...