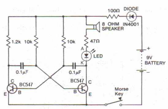
In the figure we have an astable multivibrator driving a speaker to produce audio signals for Morse code practice.
This circuit converts pulse frequency to current, which is indicated on an analog instrument. The...
Based on an LM317T, this circuit found in Popular Electronics works with signals of frequencies up to...
The Texas Instruments LM5178 Buck-boost controller is capable of operating in the 4.2 to 55 V (60...