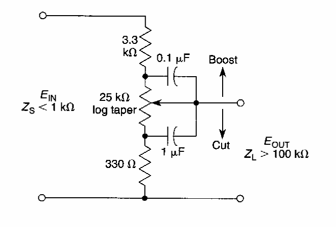
This circuit with losses of 20 dB at 350 Hz was found in older documentation, but it applies to modern preamp and amplifier circuits.
This astable multivibrator configuration causes two LEDs to alternately flash at a frequency...
In the figure we show our first circuit that consists of a simple touch switch capable of driving a...
This electromyography monitor is from a 1978 publication on operational amplifiers. The components are...