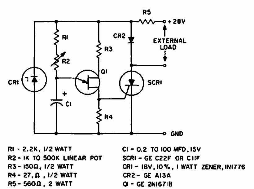
This circuit was taken from the 1967 General Electric SCR Manual. The circuit can use virtually any unijunction and SCR according to load.
This astable multivibrator configuration causes two LEDs to alternately flash at a frequency...
In the figure we show our first circuit that consists of a simple touch switch capable of driving a...
This electromyography monitor is from a 1978 publication on operational amplifiers. The components are...