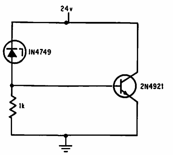
In the figure we have the way to implement a power zener diode. The voltage depends on the zener, and the maximum current of the transistor.
This astable multivibrator configuration causes two LEDs to alternately flash at a frequency...
In the figure we show our first circuit that consists of a simple touch switch capable of driving a...
This electromyography monitor is from a 1978 publication on operational amplifiers. The components are...