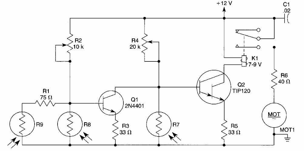
Found in Popular Electronics from the 90s, this circuit aims to drive a solar panel, constantly changing its position to follow the movement of the sun.
This astable multivibrator configuration causes two LEDs to alternately flash at a frequency...
In the figure we show our first circuit that consists of a simple touch switch capable of driving a...
This electromyography monitor is from a 1978 publication on operational amplifiers. The components are...