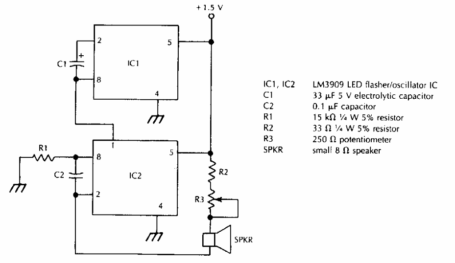
This circuit mimics the trill of a bird. We found it in an American documentation from the 90s. It is based on the LM3909 integrated circuits.
This astable multivibrator configuration causes two LEDs to alternately flash at a frequency...
In the figure we show our first circuit that consists of a simple touch switch capable of driving a...
This electromyography monitor is from a 1978 publication on operational amplifiers. The components are...