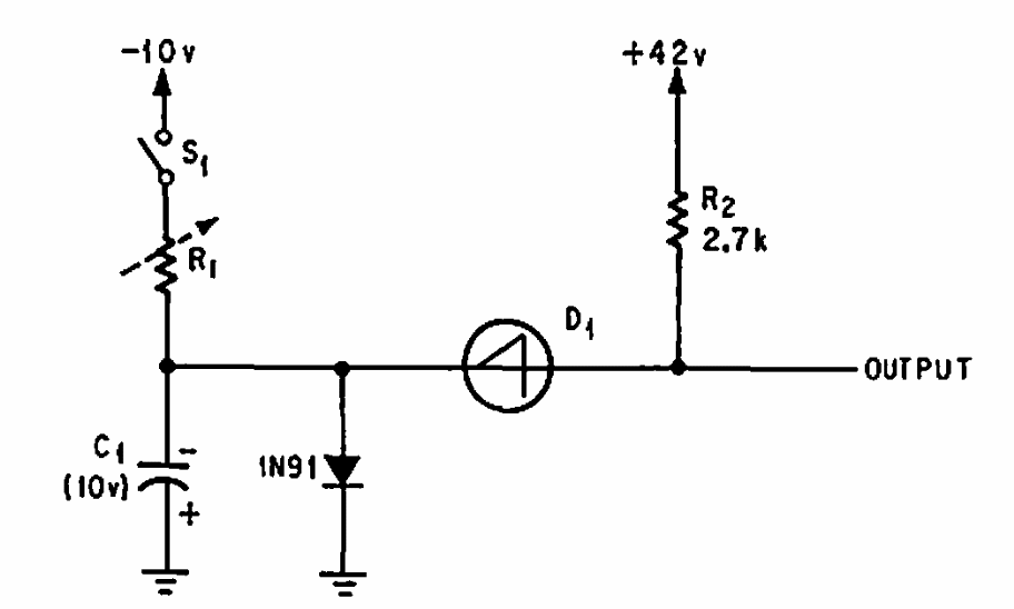
This circuit was found in old documentation. D1 can be a diac.
This astable multivibrator configuration causes two LEDs to alternately flash at a frequency...
In the figure we show our first circuit that consists of a simple touch switch capable of driving a...
This electromyography monitor is from a 1978 publication on operational amplifiers. The components are...