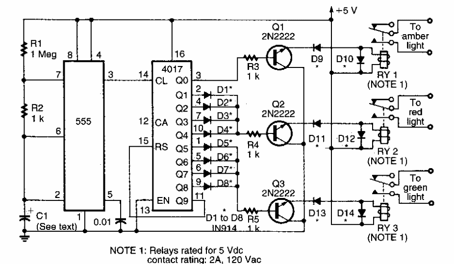
This sequential relay actuation system circuit for traffic lights was found in Electronics Now from the 1990s. Relays are sensitive types of low current coil.
This astable multivibrator configuration causes two LEDs to alternately flash at a frequency...
In the figure we show our first circuit that consists of a simple touch switch capable of driving a...
This electromyography monitor is from a 1978 publication on operational amplifiers. The components are...