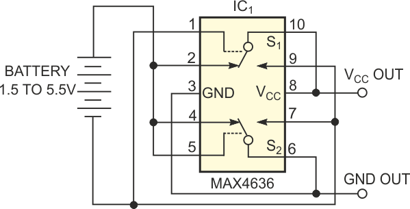
This circuit is based on documentation from Maxim. The MAX4636 integrated circuit consists of two switches that can be configured to reverse power to a load if the battery has its polarity reversed.

This circuit is based on documentation from Maxim. The MAX4636 integrated circuit consists of two switches that can be configured to reverse power to a load if the battery has its polarity reversed.
