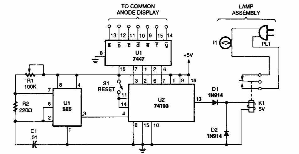
This circuit was found in a Popular Electronics from the 90s. The circuit uses TTL technology and must be powered by a voltage of 5V.
This battery monitor circuit with the TLV379 low voltage operational amplifier was obtained in the...
We got this circuit from Radio Electronics from July 1990. The circuit mimics the sound of the red...
This configuration often addressed on this site is from a 2000 documentation. The circuit can be...