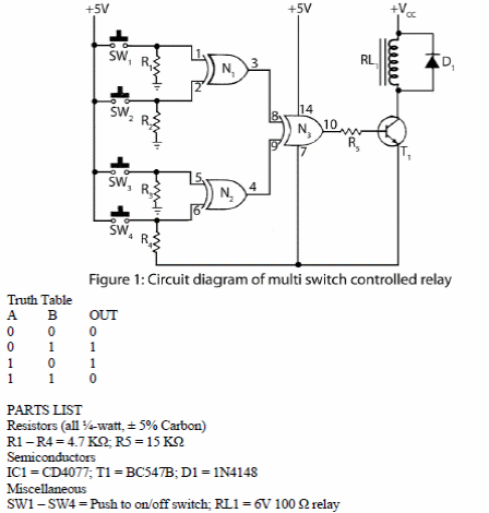
This circuit was obtained from an English documentation, with the purpose of carrying out the logical control of a relay according to the truth table given in the diagram. The relay voltage depends on the application.

This circuit was obtained from an English documentation, with the purpose of carrying out the logical control of a relay according to the truth table given in the diagram. The relay voltage depends on the application.
