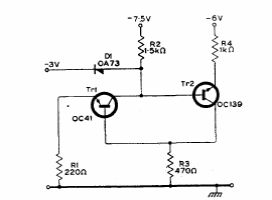
Found in a 1960 Mullard transistor manual, this circuit uses components from the time.
We found this circuit in a 1987 publication. Through a relay, it controls water valve solenoids at several...
The TDA2040 is not a common IC these days, but if you find one you can build this high quality...
This circuit causes an LED to flash on a robot when someone speaks near him, showing that he is...