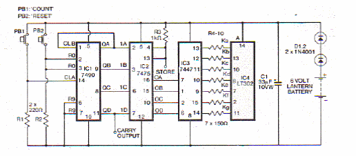
This traditional TTL counter module was found in Internet documentation. The power supply must be 5V and the display is a common anode.

This traditional TTL counter module was found in Internet documentation. The power supply must be 5V and the display is a common anode.
